Упс, к сожалению, версия вашего браузера несовместима с сайтом. Вероятнее всего она устарела или давно не обновлялась.
Попробуйте открыть сайт atvstyle.ru с одного из поддерживаемых браузеров:
Google
Chrome
Safari
Mozilla
Firefox
Microsoft
Edge
Opera
Yandex
Browser

Ваша корзина
Ваша корзина пуста
Перейти в каталог
Личный кабинет +7 903 799 1446 +7 985 444 5566
модель 2020 года
  • Модель YZF R3
  • Схема EXHAUST для YZFR3 ABS (YZFR3ALL)

  • Код модели YZFR3 ABS (YZFR3ALL)
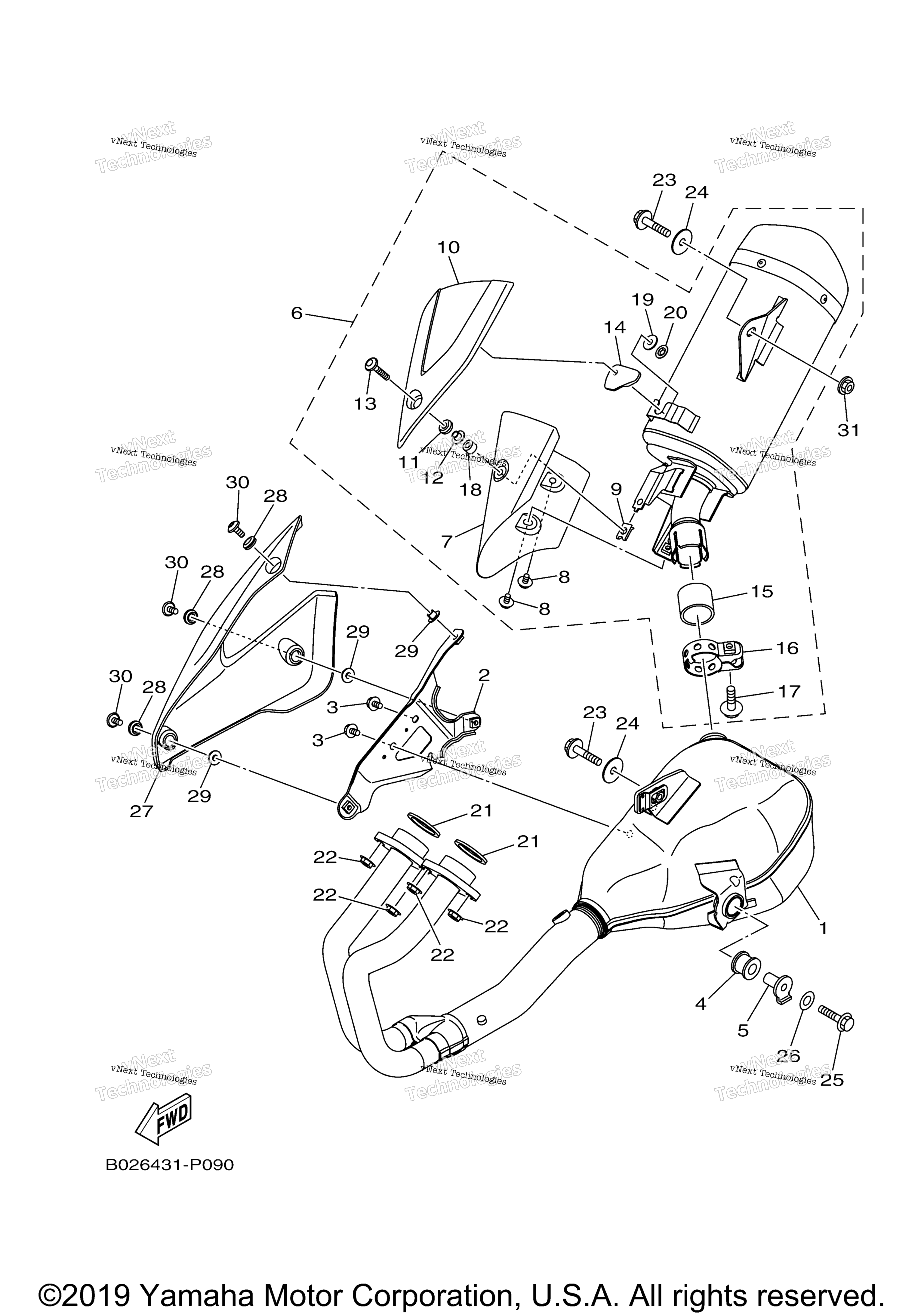
Схема
Детали
EXHAUST
Номер
Наименование детали
Цена
1
Exhaust Pipe Comp art. 2MS-E4602-00-00
По запросу
2
Bracket 3 art. 1WD-E473L-00-00
По запросу
3
Bolt, Flange art. 95027-06010-00
По запросу
4
Damper, Muffler art. 4XV-27424-00-00
По запросу
5
Nut art. 1WD-E4775-00-00
По запросу
6
Muffler Assy 1 art. 2MS-E4710-00-00
По запросу
7
. .Protector, Silencer art. 1WD-E4758-00-00
По запросу
8
. .Bolt,Hex. Socket Button art. 90111-06031-00
По запросу
9
. Nut, Spring art. 90183-06818-00
По запросу
10
. .Protector, Muffler 2 art. 1WD-E4728-00-00
По запросу
11
. Grommet art. 90480-12581-00
По запросу
12
. Collar art. 90387-06273-00
По запросу
13
. Bolt,Hex. Socket Button art. 90111-06847-00
По запросу
14
. .Spacer art. 1WD-E4763-00-00
По запросу
15
. .Gasket, Muffler art. 54D-E4714-00-00
По запросу
16
. .Band, Muffler art. 1WD-E4715-00-00
По запросу
17
. .Bolt, Flange art. 95027-08035-00
По запросу
18
. .Collar art. 90387-068N4-00
По запросу
19
. Washer, Plate art. 90201-06088-00
По запросу
20
Гайка art. 90183-06071-00
По запросу
21
Gasket, Exhaust Pipe art. 1WD-E4613-00-00
По запросу
22
Гайка выпускной трубы Yamaha art. 95707-08500-00
от 110 ₽
OEM
110 ₽
Требуется 4 шт.
23
Bolt, Flange art. 90105-088G7-00
По запросу
24
Washer, Plate art. 90201-08612-00
По запросу
25
Bolt, Flange art. 95817-08030-00
По запросу
26
Washer, Plate art. 90201-087F0-00
По запросу
27
Protector, Exhaust Pipe art. 1WD-E4628-00-00
По запросу
28
Grommet art. 90480-12581-00
По запросу
29
.Collar art. 90387-087L0-00
По запросу
30
Bolt,Hex. Socket Button art. 90111-06087-00
По запросу
31
Гайка Yamaha art. 90185-08169-00
По запросу
Нужна консультация
Мы ответим вам на этот номер
Или укажите свою почту - и мы ответим на нее
Добавлено в корзину
Вы только что добавили в корзину:
Перейти в корзину
Вход в интернет магазин
Войти
Зарегистрироваться
Номер телефона необходим для оформления заказа
Восстановить пароль
Укажите ваш email адрес или логин и мы вышлем ссылку для восстановления пароля.