Упс, к сожалению, версия вашего браузера несовместима с сайтом. Вероятнее всего она устарела или давно не обновлялась.
Попробуйте открыть сайт atvstyle.ru с одного из поддерживаемых браузеров:
Google
Chrome
Safari
Mozilla
Firefox
Microsoft
Edge
Opera
Yandex
Browser

Ваша корзина
Ваша корзина пуста
Перейти в каталог
Личный кабинет +7 903 799 1446 +7 985 444 5566
модель 2020 года
  • Модель YZF R3
  • Схема FRAME для YZFR3 ABS (YZFR3ALL)

  • Код модели YZFR3 ABS (YZFR3ALL)
Схема
Детали
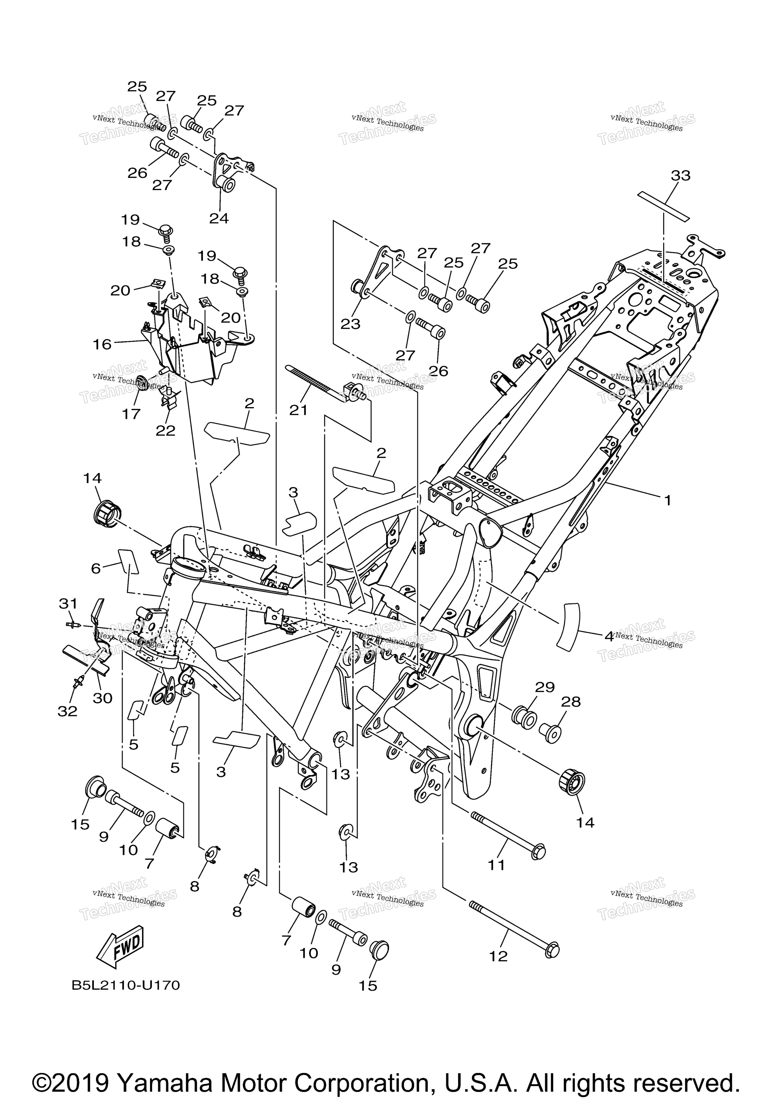
FRAME
Номер
Наименование детали
Цена
1
Frame Comp MBL2 art. 1WD-F1110-13-00
По запросу
2
Damper 2 art. 1WD-F112C-00-00
По запросу
3
Protector art. 1WD-F117G-00-00
По запросу
4
Protector art. 1WD-F1652-00-00
По запросу
5
Protector art. 1WD-F193A-00-00
По запросу
6
Seal art. 5D9-F414G-00-00
По запросу
7
Damper art. 90388-10816-00
По запросу
8
Plate 1 art. 1WD-F191B-00-00
По запросу
9
Bolt,Hex.Socket Head art. 91317-10060-00
По запросу
10
Washer art. 92990-10200-00
По запросу
11
Bolt, Flange art. 90105-10889-00
По запросу
12
Bolt, Flange art. 90105-10891-00
По запросу
13
Nut art. 90179-10805-00
По запросу
14
Cover art. 1WD-F135F-00-00
По запросу
15
Plug art. 90338-23801-00
По запросу
16
Box art. 1WD-F1171-00-00
По запросу
17
Втулка резиновая Yamaha art. 90480-13014-00
от 840 ₽
OEM
840 ₽
Требуется 1 шт.
18
Collar art. 90387-07819-00
По запросу
19
Bolt, Flange art. 95022-06014-00
По запросу
20
Nut, Spring art. 90183-06818-00
По запросу
21
Clamp art. 90464-30009-00
По запросу
22
Clamp art. 90464-12015-00
По запросу
23
Stay 1 art. 1WD-F122A-00-00
По запросу
24
Stay 2 art. 1WD-F122B-00-00
По запросу
25
Bolt,Hex.Socket Head art. 91317-10020-00
По запросу
26
Bolt,Hex.Socket Head art. 91317-10045-00
По запросу
27
Washer, Plate art. 92907-10600-00
По запросу
28
Collar art. 90387-08812-00
По запросу
29
Damper, Muffler art. 4XV-27424-00-00
По запросу
30
Bracket 5 art. BS7-F612N-00-00
По запросу
31
Rivet art. 90269-05008-00
По запросу
32
Rivet art. 90269-07007-00
По запросу
33
Seal 2 art. 2DS-F414E-00-00
По запросу
Нужна консультация
Мы ответим вам на этот номер
Или укажите свою почту - и мы ответим на нее
Добавлено в корзину
Вы только что добавили в корзину:
Перейти в корзину
Вход в интернет магазин
Войти
Зарегистрироваться
Номер телефона необходим для оформления заказа
Восстановить пароль
Укажите ваш email адрес или логин и мы вышлем ссылку для восстановления пароля.