модель 2004 года
Запчасти для 4T Красный (A2004H4B2BUSR)
- Код модели 4T Красный (A2004H4B2BUSR)
- Модель DVX 90
Запутались с подбором запчастей?
Наши специалисты помогут вам с этим
A-Arm, Floor Panel, And Bumper Assembly
Air Cleaner Assembly
Body And Seat Assembly
Brakelight And Flag Assemblies
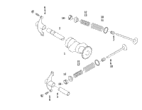
Cam Chain And Tensioner Assembly
CAMSHAFT/VALVE ASSEMBLY
Carburetor Assembly
Crankcase Assembly
Crankshaft Assembly
Cylinder Assembly
Cylinder Head Assembly
Cylinder Head Cover Assembly
Decals
Drive Clutch Assembly
Driven Clutch Assembly
Electrical
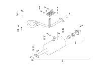
Exhaust Assembly
Fan Shroud Assembly
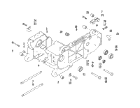
Frame Assembly
Front Brake Assembly
Gas Tank Assembly
Handlebar Assembly
Left Crankcase Cover Assembly
Magneto
Oil Pump Assembly
Rear Brake Assembly
Rear Drive Assembly
Right Crankcase Cover Assembly
Starter Motor Assembly
Steering Assembly
Transmission Assembly
Wheel, Tire, And Suspension Assembly