Упс, к сожалению, версия вашего браузера несовместима с сайтом. Вероятнее всего она устарела или давно не обновлялась.
Попробуйте открыть сайт atvstyle.ru с одного из поддерживаемых браузеров:
Google
Chrome
Safari
Mozilla
Firefox
Microsoft
Edge
Opera
Yandex
Browser

Ваша корзина
Ваша корзина пуста
Перейти в каталог
Личный кабинет +7 903 799 1446 +7 985 444 5566
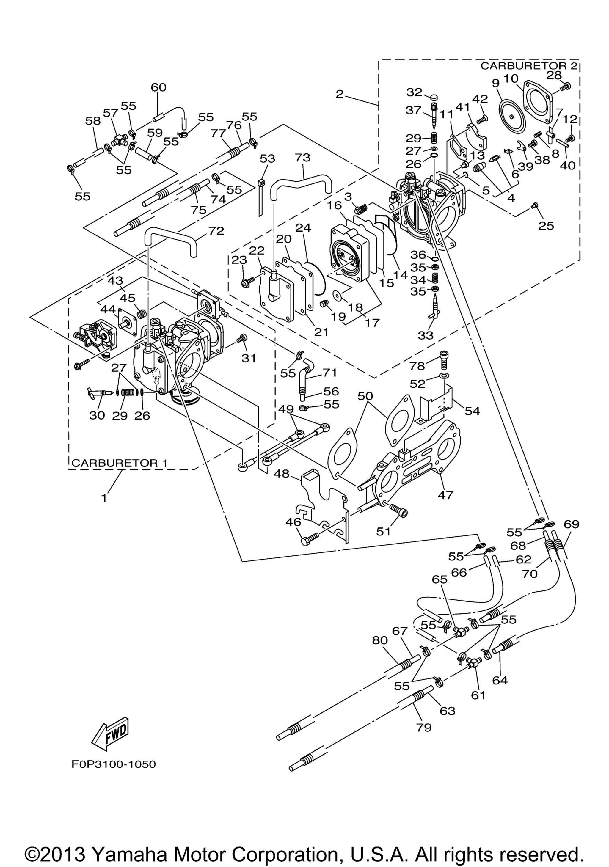
модель 2004 года
  • Модель XLT800
  • Схема CARBURETOR для XLT800 (XA800AC)

  • Код модели XLT800 (XA800AC)
Схема
Детали
CARBURETOR
Номер
Наименование детали
Цена
1
Carburetor Assy 1 art. 67A-14301-03-00
По запросу
2
Carburetor Assy 2 art. 67A-14302-03-00
По запросу
3
. .Strainer art. 6R7-14569-00-00
По запросу
4
. .Needle art. 64T-14916-01-00
По запросу
5
. . ..O-Ring art. 8F2-14147-00-00
По запросу
6
. . ..Clip art. 7EG-14159-00-00
По запросу
7
. .Arm, Float art. 6K8-14547-01-00
По запросу
8
. .Spring art. 6R7-14253-00-00
По запросу
9
. .Diaphragm, Pump art. 6R7-14541-00-00
По запросу
10
. .Body, Pump 1 CARBURETOR 1 art. 6R7-14542-00-00
По запросу
11
. .Gasket art. 6K8-14536-11-00
По запросу
12
. .Screw art. 6K8-14503-02-00
По запросу
13
. ..Jet, Main (#150) UR CARBURETOR 2 art. 3G2-14231-30-A0
По запросу
13
. ..Jet, Main (#150) UR CARBURETOR 1 art. 3G2-14231-30-A0
По запросу
14
. .O-Ring art. 66E-14563-01-00
По запросу
15
. .Diaphragm art. 66E-24471-00-00
По запросу
16
. .Diaphragm art. 66E-24411-00-00
По запросу
17
. .Body 2 art. 66E-24413-01-00
По запросу
18
. . ..Valve, Check 1 art. 66E-24362-00-00
По запросу
19
. . ..Bush, Fuel Pump art. 65U-24492-00-00
По запросу
20
. .Valve, Check art. 66E-24421-00-00
По запросу
21
. Gasket, Fuel Pump 1 art. 66E-24431-00-00
По запросу
22
. .Cover art. 66E-24452-00-00
По запросу
23
. .Screw, Pan Head art. 90157-05M17-00
По запросу
24
. .O-Ring art. 66E-14564-01-00
По запросу
25
. .Jet, Main (# 90) art. 830-14231-18-00
По запросу
26
. .O-Ring art. 6K8-14562-00-00
По запросу
27
. .Washer, Needle art. 812-14235-00-00
По запросу
28
. Screw, Pan Head CARBURETOR 2 art. 97885-05010-00
По запросу
29
. .Spring, Throttle 2 art. 68V-14331-00-00
По запросу
30
. .Screw, Adjust CARBURETOR 1 art. 66E-14521-00-00
По запросу
31
Болт Yamaha 98580-05014-00 art. 98502-05014-00
от 350 ₽
OEM
350 ₽
Требуется 4 шт.
32
. .Cap, Carburetor art. 6K8-14471-10-00
По запросу
33
. .Screw, Pilot Adjusting art. 66E-14211-00-00
По запросу
34
. .Spring art. 6K8-14589-00-00
По запросу
35
. .Washer, Needle art. 822-14235-00-00
По запросу
36
Кольцо уплотнительное art. 583-14561-00-00
По запросу
37
. Plate, Needle Fitting art. 6K8-14946-10-00
По запросу
38
. .Screw art. 6M6-14503-00-00
По запросу
39
. .Plate art. 6K8-14527-11-00
По запросу
40
. .Pin, Float art. 439-14186-00-00
По запросу
41
. .Body 1 art. 66E-24412-00-00
По запросу
42
. .Screw, Stop art. 6K8-14523-11-00
По запросу
43
. .Cover, Carburetor CARBURETOR 1 art. 66E-14280-00-00
По запросу
44
. . ..Diaphragm Assy CARBURETOR 1 art. 66E-14170-00-00
По запросу
45
. . ..Spring CARBURETOR 1 art. 66E-14286-00-00
По запросу
46
Bolt art. 90101-06M25-00
По запросу
47
Plate art. 66E-14243-00-00
По запросу
48
Bracket 1 art. 66E-14291-00-00
По запросу
49
Rod, Accel. Lever art. 66E-41217-00-00
По запросу
50
.Gasket art. 66E-14398-00-00
По запросу
51
Bolt, Holding art. 66E-14162-01-00
По запросу
52
Washer, Spring art. 90204-06M01-00
По запросу
53
.Clip art. 4KM-14137-00-00
По запросу
54
Plate art. 66E-14146-00-00
По запросу
55
.Clip, Pipe art. 35H-14139-00-00
По запросу
56
Hose art. 68V-13534-00-00
По запросу
57
.Nipple art. 4N0-14251-00-00
По запросу
58
Hose art. 90445-07M78-00
По запросу
59
Hose art. 90445-07M42-00
По запросу
60
Hose art. 90445-07M79-00
По запросу
61
.Nipple art. 66E-14251-00-00
По запросу
62
Hose art. 90445-10MH0-00
По запросу
63
Hose art. 67A-14294-00-00
По запросу
64
Hose art. 90445-10MH2-00
По запросу
65
.Nipple art. 66E-14251-00-00
По запросу
66
Hose art. 90445-10MH3-00
По запросу
67
Pipe art. 67A-14298-00-00
По запросу
68
Hose art. 90445-10MH5-00
По запросу
69
Hose art. 90446-14M98-00
По запросу
70
Hose art. 90446-14M99-00
По запросу
71
Hose art. 90446-10MA2-00
По запросу
72
Pipe 4 art. 66E-24314-00-00
По запросу
73
Pipe 5 art. 66E-24315-00-00
По запросу
74
Hose art. 90446-07M96-00
По запросу
75
Hose art. 90446-10MA0-00
По запросу
76
Hose art. 90446-07M97-00
По запросу
77
Hose art. 90446-10MA1-00
По запросу
78
Bolt, Holding art. 66E-14162-00-00
По запросу
79
Hose art. 90446-17ME5-00
По запросу
80
Hose (L800) art. 90446-17MA7-00
По запросу
Нужна консультация
Мы ответим вам на этот номер
Или укажите свою почту - и мы ответим на нее
Добавлено в корзину
Вы только что добавили в корзину:
Перейти в корзину
Вход в интернет магазин
Войти
Зарегистрироваться
Номер телефона необходим для оформления заказа
Восстановить пароль
Укажите ваш email адрес или логин и мы вышлем ссылку для восстановления пароля.